Конфігурування перетворювача частоти Lenze 8200 Vector для перемикання із автоматичного режиму стабілізації тиску у ручний режим керування від потенціометра.
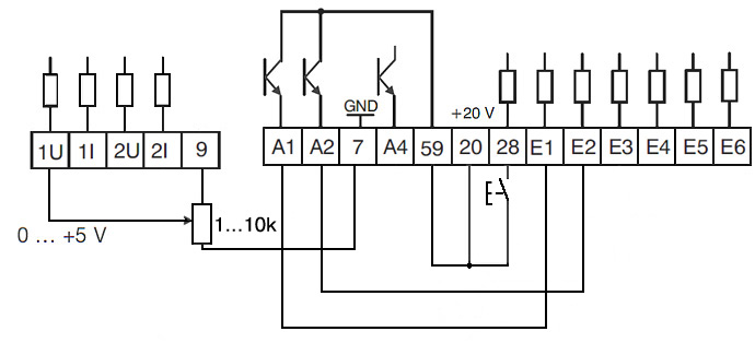
Під час експлуатації систем стабілізації тиску у системах водопостачання та провітрювання виникає необхідність перемикання перетворювача частоти у ручний режим роботи. При цьому завдання швидкості визначається потенціометром, підключеного до аналогового входу.
При автоматичному режимі роботи завдання швидкості визначається тим самим потенціометром, а датчик технологічного параметру (тиску) підключається до другого аналогового входу.
Перемикання із автоматичного в ручний режим здійснюється тумблером, що має 2 фіксовані положення.
Для реалізації ПІД-регулятора технологічного параметру та перемикання в ручний режим роботи необхідно провести наступне конфігурування перетворювача частоти відповідно до таблиці, наведеної нижче.
При цьому схема підключення слаботочних приладів керування до клем управління перетворювачем частоти має вигляд:

Конфігурування перетворювача частоти.
| Код | Опис параметру | Значення | Примітка |
|---|---|---|---|
| С0007 | Конфігурація дискретних виводів групи параметрів PAR1 | 1 | При спрацюванні E1 іде переключення на групу параметрів PAR2 |
| С0034 | Діапазон аналогового входу | 3 | Підключається сигнал 4-20мА |
| С0070 | Пропорційна складова ПІД-регулятора | Встановлюється користувачем | Параметр визначається вимогами до перехідного процесу безпосередньо на об’єкті |
| С0071 | Інтегральна складова ПІД-регулятора | Встановлюється користувачем | Параметр визначається вимогами до перехідного процесу безпосередньо на об’єкті |
| С0072 | Диференціальна складова ПІД-регулятора | Встановлюється користувачем | Параметр визначається вимогами до перехідного процесу безпосередньо на об’єкті |
| С0074 | Вплив регулятора процесу | 100% | |
| С0231 | Обмеження на мінімальне значення частоти | 0% | У зворотному напрямку вентилятор чи насос не обертається |
| С0238 | Контроль частоти | 2 | Ввімкнено тільки ПІД-регулятор процесу |
| С0412/4 | Значення уставки ПІД-регулятора | Встановлюється користувачем | Визначає величину заданого технологічного параметру |
| С0412/5 | Дійсне значення технологічного параметру | Встановлюється користувачем | Назначається вхід для підключення датчика |
| С2007 | Конфігурація дискретних виводів групи параметрів PAR2 | 1 | При відключенні E1 іде переключення на групу параметрів PAR1 |
Переключение между банками параметров в преобразователе частоты 8200 Vector
Описание переключения между банками параметров:
| Код | Значение | Описание | Примечание |
|---|---|---|---|
| С0007 | 255 | Свободная конфигурация дискретных входов группы параметров PAR1 | Банк параметров 1 |
| С0008 | 255 | Свободная конфигурация релейного выхода | Банк параметров 1 |
| С0017 | 30 Гц | Порог выходной частоты переключения на PAR2 | Банк параметров 1 |
| С0410/13 | 1 | Функция DCTRL1-PAR2/4 назначена на дискретный вход Е1 | Банк параметров 1 |
| С0415/1 | 0 | Свободная конфигурация релейного выхода 1 | Банк параметров 1 |
| С0415/2 | 26 | Конфигурация дискретного выхода А1 | Включен, когда электродвигатель вращается |
| С0415/3 | 6 | Конфигурация дискретного выхода А2 | Включен, когда скорость больше 30Гц |
| С2007 | 255 | Свободная конфигурация дискретных входов группы параметров PAR1 | Банк параметров 2 |
| С2008 | 255 | Свободная конфигурация релейного выхода | Банк параметров 2 |
| С2017 | 40Гц | Порог переключения на PAR4 | Банк параметров 2 |
| С2410/13 | 1 | Функция DCTRL1-PAR2/4 назначена на дискретный вход Е1 | Банк параметров 2 |
| С2410/14 | 2 | Функция DCTRL1-PAR3/4 назначена на дискретный вход Е2 | Банк параметров 2 |
| С2415/1 | 0 | Свободная конфигурация релейного выхода 1 | Банк параметров 2 |
| С2415/2 | 6 | Конфигурация дискретного выхода А1 | Включен, когда скорость больше 45Гц |
| С2415/3 | 26 | Конфигурация дискретного выхода А2 | Включен, когда двигатель вращается во втором банке параметров |
| С6007 | 255 | Свободная конфигурация дискретных входов группы параметров PAR1 | Банк параметров 4 |
| С6008 | 255 | Свободная конфигурация релейного выхода | Банк параметров 4 |
| С6017 | 39Гц | Порог переключения на PAR2 | Банк параметров 4 |
| С6410/13 | 1 | Функция DCTRL1-PAR2/4 назначена на дискретный вход Е1 | Банк параметров 4 |
| С6410/14 | 2 | Функция DCTRL1-PAR3/4 назначена на дискретный вход Е2 | Банк параметров 4 |
| С6415/1 | 0 | Свободная конфигурация релейного выхода 1 | Банк параметров 4 |
| С6415/2 | 6 | Конфигурация дискретного выхода А1 | Включен, когда скорость больше 40Гц |
| С6415/3 | 26 | Конфигурация дискретного выхода А2 | Включен, когда электродвигатель вращается в четвертом банке параметров |
Схема подключения модуля Application:

Принцип работы схемы:
При увеличении скорости с аналогового потенциометра на частоте 30Гц происходит переключение на группу параметров PAR2 (срабатывает А1). В описании параметры, относящиеся ко второй группе, обозначаются как С2ххх. При увеличении частоты выше 40Гц происходит включение PAR4 (А1 остается включенным, срабатывает А2). В описании параметры, относящиеся к четвертой группе, обозначаются как С6ххх. При снижении скорости с потенциометра ниже 39Гц привод переключается во вторую группу параметров.
Параметры С0017, С2017, С6017 являются настраиваемыми пользователем, однако обязательным условием является то, что частота переключения в PAR4 из PAR2 должна быть ниже, чем частота переключения из PAR2 из PAR4.
Переход в группу параметров PAR1 осуществляется только при отключении преобразователя частоты (снятии логической единицы с клеммы 28).
12 фиксированных скоростей с модулем входов/выходов Standard
Параметры настройки преобразователя частоты 8200 Vector для работы с двенадцатью фиксированными скоростями с модулем входов/выходов Standard.
В базовой конфигурации параметров, установив С0007 = 1, доступны три фиксированные скорости JOG1, JOG2 и JOG3. Переключение между ними доступно с помощью двух дискретных входов, например Е1 и Е2.
Е2 Е1 JOG
0 0 управление аналоговым сигналом
0 1 JOG1
1 0 JOG2
1 1 JOG3
Значения JOG1..JOG3 выбираются пользователем в параметрах С0037 .. С0039.
Увеличение количества фиксированных скоростей возможно за счет переключения между банками параметров PAR1 .. PAR4. При этом задействуются по три фиксированные скорости для каждого банка параметров.
Если достаточно до 6-ти фиксированных скоростей, то мы можем использовать С0007 = 1 и С2007 = 1. При этом переключение между банками параметров осуществляется дискретным входом Е3 (низкий уровень на Е3 соответствует PAR1, высокий уровень на Е3 соответствует PAR2).
Для второго банка параметров фиксированные скорости устанавливаются в параметрах С2037 .. С2039.
Если необходимо от 7 до 12 фиксированных скоростей, то осуществляется свободное конфигурирование цифровых сигнальных входов. Т.е. каждый дискретный вход программируется в отдельности. Для этого необходимо провести настройку параметра С410.Описание переключения между банками параметров:
| Код | Значение | Описание | Примечание |
|---|---|---|---|
| С0410/1 | 1 | NSET1*JOG1/3 | Активация JOG1 сигналом Е1 в PAR1 |
| С0410/2 | 2 | NSET1*JOG2/3 | Активация JOG2 сигналом Е2 в PAR1 |
| С0410/3 | 255 | DCTRL1*CW/CCW | Отключение реверса по Е3 |
| С0410/15 | 255 | DCTRL1*DCB | Отключение динамического торможения по Е4 |
| С0410/13 | 3 | DCTRL1*PAR2/4 | Переключение в PAR2/PAR4 по Е3 |
| 0410/14 | 4 | DCTRL1*PAR3/4 | Переключение в PAR3/PAR4 по Е4 |
| С0037 | 5 Гц | Фиксированная скорость для комбинации Е4..Е1 0001 | Определяется пользователем |
| С0038 | 10 Гц | Фиксированная скорость для комбинации Е4..Е1 0010 | Определяется пользователем |
| С0039 | 15 Гц | Фиксированная скорость для комбинации Е4..Е1 0011 | Определяется пользователем |
| С2410/1 | 1 | NSET1*JOG1/3 | Активация JOG1 сигналом Е1 в PAR2 |
| С2410/2 | 2 | NSET1*JOG2/3 | Активация JOG2 сигналом Е2 в PAR2 |
| С2410/3 | 255 | DCTRL1*CW/CCW | Отключение реверса по Е3 |
| С2410/15 | 255 | DCTRL1*DCB | Отключение динамического торможения по Е4 |
| С2410/13 | 3 | DCTRL1*PAR2/4 | Переключение в PAR2/PAR4 по Е3 |
| 2410/14 | 4 | DCTRL1*PAR3/4 | Переключение в PAR3/PAR4 по Е4 |
| С2037 | 20 Гц | Фиксированная скорость для комбинации Е4..Е1 0101 | Определяется пользователем |
| С2038 | 25 Гц | Фиксированная скорость для комбинации Е4..Е1 0110 | Определяется пользователем |
| С2039 | 30 Гц | Фиксированная скорость для комбинации Е4..Е1 0111 | Определяется пользователем |
| С4410/1 | 1 | NSET1*JOG1/3 | Активация JOG1 сигналом Е1 в PAR3 |
| С4410/2 | 2 | NSET1*JOG2/3 | Активация JOG2 сигналом Е2 в PAR3 |
| С4410/3 | 255 | DCTRL1*CW/CCW | Отключение реверса по Е3 |
| С4410/15 | 255 | DCTRL1*DCB | Отключение динамического торможения по Е4 |
| С4410/13 | 3 | DCTRL1*PAR2/4 | Переключение в PAR2/PAR4 по Е3 |
| С4410/14 | 4 | DCTRL1*PAR3/4 | Переключение в PAR3/PAR4 по Е4 |
| С4037 | 27 Гц | Фиксированная скорость для комбинации Е4..Е1 1001 | Определяется пользователем |
| С4038 | 42 Гц | Фиксированная скорость для комбинации Е4..Е1 1010 | Определяется пользователем |
| С4039 | 37 Гц | Фиксированная скорость для комбинации Е4..Е1 1011 | Определяется пользователем |
| С6410/1 | 1 | NSET1*JOG1/3 | Активация JOG1 сигналом Е1 в PAR4 |
| С6410/2 | 2 | NSET1*JOG2/3 | Активация JOG2 сигналом Е2 в PAR4 |
| С6410/3 | 255 | DCTRL1*CW/CCW | Отключение реверса по Е3 |
| С6410/15 | 255 | DCTRL1*DCB | Отключение динамического торможения по Е4 |
| С6410/13 | 3 | DCTRL1*PAR2/4 | Переключение в PAR2/PAR4 по Е3 |
| С6410/14 | 4 | DCTRL1*PAR3/4 | Переключение в PAR3/PAR4 по Е4 |
| С6037 | 49 Гц | Фиксированная скорость для комбинации Е4..Е1 1101 | Определяется пользователем |
| С6038 | 52 Гц | Фиксированная скорость для комбинации Е4..Е1 1110 | Определяется пользователем |
| С6039 | 57 Гц | Фиксированная скорость для комбинации Е4..Е1 1111 | Определяется пользователем |
Параметры С2ххх соответствуют второй группе параметров, то есть PAR2. На дисплее цифра 2 не отображается, просто внизу справа будет гореть надпись PS2. Аналогично параметры С4ххх и С6ххх соответствуют группам параметров PAR3 и PAR4.
Примечание! В скалярном режиме переключение скоростей без ограничений. В векторном режиме переключение между банками параметров должно осуществляться со снятием/подачей логического сигнала на клемму 28.

28 фиксированных скоростей с модулем входов/выходов Application
Параметры настройки преобразователя частоты 8200 Vector для работы с двадцатью восемью фиксированными скоростями с модулем Application.
В базовой конфигурации параметров, установив С0007 = 1, доступны три фиксированные скорости JOG1, JOG2 и JOG3. Переключение между ними доступно с помощью двух дискретных входов, например Е1 и Е2.
Е2 Е1 JOG
0 0 управление аналоговым сигналом
0 1 JOG1
1 0 JOG2
1 1 JOG3
Значения JOG1..JOG3 выбираются пользователем в параметрах С0037 .. С0039, либо дублируются в параметрах С0440/1 .. С0440/7.
Если необходимо от 4 до 7 фиксированных скоростей, то осуществляется свободное конфигурирование цифровых сигнальных входов, т.е. каждый дискретный вход программируется в отдельности. Для этого необходимо провести настройку параметра С410.
Номер фиксированной скорости JOG определяется двоичным кодом:
Е3 Е2 Е1 JOG
0 0 1 JOG1
0 1 0 JOG2
0 1 1 JOG3
1 0 0 JOG4
1 0 1 JOG5
1 1 0 JOG6
1 1 1 JOG7
Описание переключения между банками параметров:
| Код | Значение | Описание | Примечание |
|---|---|---|---|
| C0410/1 | 1 | NSET1*JOG1/3/5/7 | Активация JOG1/3/5/7 сигналом Е1 |
| C0410/2 | 2 | NSET1*JOG2/3/6/7 | Активация JOG2/3/6/7 сигналом Е2 |
| С0410/33 | 3 | NSET1*JOG4/5/6/7 | Активация JOG4/5/6/7 сигналом Е3 |
| C0410/3 | 255 | DCTRL1*CW/CCW | Отключение реверса по Е3 |
| С0440/1 | 20 Гц | Фиксированная скорость для комбинации 001 | Задается пользователем |
| С0440/2 | 30 Гц | Фиксированная скорость для комбинации 010 | Задается пользователем |
| С0440/3 | 40 Гц | Фиксированная скорость для комбинации 011 | Задается пользователем |
| С0440/4 | 15 Гц | Фиксированная скорость для комбинации 100 | Задается пользователем |
| С0440/5 | 25 Гц | Фиксированная скорость для комбинации 101 | Задается пользователем |
| С0440/6 | 35 Гц | Фиксированная скорость для комбинации 110 | Задается пользователем |
| С0440/7 | 45 Гц | Фиксированная скорость для комбинации 111 | Задается пользователем |
Дальнейшее увеличение количества фиксированных скоростей возможно за счет переключения между банками параметров PAR1 .. PAR4. При этом задействуются по семь фиксированных скоростей для каждого банка параметров.
Выбор скорости определяется дискретными входами E5 Е4 Е3 Е2 Е1. При этом входы Е5 и Е4 используются для переключения банков параметров:
Е5 Е4 Банк параметров
0 0 PAR1
0 1 PAR2
1 0 PAR3
1 1 PAR4
Описание переключения между банками параметров:
| Код | Значение | Описание | Примечание |
|---|---|---|---|
| C0410/1 | 1 | NSET1*JOG1/3/5/7 | Активация JOG1 сигналом Е1 в PAR1 |
| C0410/2 | 2 | NSET1*JOG2/3/6/7 | Активация JOG2 сигналом Е2 в PAR1 |
| С0410/33 | 3 | NSET1*JOG4/5/6/7 | Активация JOG4 сигналом Е3 в PAR1 |
| C0410/3 | 255 | DCTRL1*CW/CCW | Отключение реверса по Е3 |
| С0410/15 | 255 | DCTRL1*DCB | Отключение динамического торможения по Е4 |
| С0410/13 | 4 | DCTRL1*PAR2/4 | Переключение в PAR2/PAR4 по Е4 |
| С0410/14 | 5 | DCTRL1*PAR3/4 | Переключение в PAR3/PAR4 по Е5 |
| С0440/1 | 5 Гц | Фиксированная скорость для комбинации 00001 | Задается пользователем |
| С0440/2 | 10 Гц | Фиксированная скорость для комбинации 00010 | Задается пользователем |
| С0440/3 | 15 Гц | Фиксированная скорость для комбинации 00011 | Задается пользователем |
| С0440/4 | 16 Гц | Фиксированная скорость для комбинации 00100 | Задается пользователем |
| С0440/5 | 17 Гц | Фиксированная скорость для комбинации 00101 | Задается пользователем |
| С0440/6 | 18 Гц | Фиксированная скорость для комбинации 00110 | Задается пользователем |
| С0440/7 | 19 Гц | Фиксированная скорость для комбинации 00111 | Задается пользователем |
| C2410/1 | 1 | NSET1*JOG1/3/5/7 | Активация JOG1 сигналом Е1 в PAR2 |
| С2410/2 | 2 | NSET1*JOG2/3/6/7 | Активация JOG2 сигналом Е2 в PAR2 |
| С2410/33 | 3 | NSET1*JOG4/5/6/7 | Активация JOG4 сигналом Е3 в PAR2 |
| С2410/3 | 255 | DCTRL1*CW/CCW | Отключение реверса по Е3 |
| С2410/15 | 255 | DCTRL1*DCB | Отключение динамического торможения по Е4 |
| С2410/13 | 4 | DCTRL1*PAR2/4 | Переключение в PAR2/PAR4 по Е4 |
| С2410/14 | 5 | DCTRL1*PAR3/4 | Переключение в PAR3/PAR4 по Е5 |
| С2440/1 | 20 Гц | Фиксированная скорость для комбинации 01001 | Задается пользователем |
| С2440/2 | 22 Гц | Фиксированная скорость для комбинации 01010 | Задается пользователем |
| С2440/3 | 23 Гц | Фиксированная скорость для комбинации 01011 | Задается пользователем |
| С2440/4 | 24 Гц | Фиксированная скорость для комбинации 01100 | Задается пользователем |
| С2440/5 | 27 Гц | Фиксированная скорость для комбинации 01101 | Задается пользователем |
| С2440/6 | 28 Гц | Фиксированная скорость для комбинации 01110 | Задается пользователем |
| С2440/7 | 29 Гц | Фиксированная скорость для комбинации 01111 | Задается пользователем |
| С4410/1 | 1 | NSET1*JOG1/3/5/7 | Активация JOG1 сигналом Е1 в PAR3 |
| С4410/2 | 2 | NSET1*JOG2/3/6/7 | Активация JOG2 сигналом Е2 в PAR3 |
| С4410/33 | 3 | NSET1*JOG4/5/6/7 | Активация JOG4 сигналом Е3 в PAR3 |
| С4410/3 | 255 | DCTRL1*CW/CCW | Отключение реверса по Е3 |
| С4410/15 | 255 | DCTRL1*DCB | Отключение динамического торможения по Е4 |
| С4410/13 | 4 | DCTRL1*PAR2/4 | Переключение в PAR2/PAR4 по Е4 |
| С4410/14 | 5 | DCTRL1*PAR3/4 | Переключение в PAR3/PAR4 по Е5 |
| С4440/1 | 30 Гц | Фиксированная скорость для комбинации 10001 | Задается пользователем |
| С4440/2 | 32 Гц | Фиксированная скорость для комбинации 10010 | Задается пользователем |
| С4440/3 | 33 Гц | Фиксированная скорость для комбинации 10011 | Задается пользователем |
| С4440/4 | 34 Гц | Фиксированная скорость для комбинации 10100 | Задается пользователем |
| С4440/5 | 37 Гц | Фиксированная скорость для комбинации 10101 | Задается пользователем |
| С4440/6 | 38 Гц | Фиксированная скорость для комбинации 10110 | Задается пользователем |
| С4440/7 | 39 Гц | Фиксированная скорость для комбинации 10111 | Задается пользователем |
| С6410/1 | 1 | NSET1*JOG1/3/5/7 | Активация JOG1 сигналом Е1 в PAR4 |
| С6410/2 | 2 | NSET1*JOG2/3/6/7 | Активация JOG2 сигналом Е2 в PAR4 |
| С6410/33 | 3 | NSET1*JOG4/5/6/7 | Активация JOG4 сигналом Е3 в PAR4 |
| С6410/3 | 255 | DCTRL1*CW/CCW | Отключение реверса по Е3 |
| С6410/15 | 255 | DCTRL1*DCB | Отключение динамического торможения по Е4 |
| С6410/13 | 4 | DCTRL1*PAR2/4 | Переключение в PAR2/PAR4 по Е4 |
| С6410/14 | 5 | DCTRL1*PAR3/4 | Переключение в PAR3/PAR4 по Е5 |
| С6440/1 | 41 Гц | Фиксированная скорость для комбинации 11001 | Задается пользователем |
| С6440/2 | 42 Гц | Фиксированная скорость для комбинации 11010 | Задается пользователем |
| С6440/3 | 43 Гц | Фиксированная скорость для комбинации 11011 | Задается пользователем |
| С6440/4 | 44 Гц | Фиксированная скорость для комбинации 11100 | Задается пользователем |
| С6440/5 | 47 Гц | Фиксированная скорость для комбинации 11101 | Задается пользователем |
| С6440/6 | 48 Гц | Фиксированная скорость для комбинации 11110 | Задается пользователем |
| С6440/7 | 49 Гц | Фиксированная скорость для комбинации 11111 | Задается пользователем |
Параметры С2ххх соответствуют второй группе параметров, то есть PAR2. На дисплее цифра 2 не отображается, просто внизу справа будет гореть надпись PS2. Аналогично параметры С4ххх и С6ххх соответствуют группам параметров PAR3 и PAR4.
Примечание! В скалярном режиме переключение скоростей без ограничений. В векторном режиме переключение между банками параметров должно осуществляться со снятием/подачей логического сигнала на клемму 28.
Схематическое отображение установки фиксированных скоростей при разных комбинациях сигналов на дискретных входах смотрите для варианта 12 фиксированных скоростей с модулем входов/выходов Standard.
Замена Application I/O [114пїЅпїЅ]
Управление давлением [199пїЅпїЅ]
Поддержание давления с помощью регулируемого основного насоса и нерегулируемого дополнительного. NEW ! [244пїЅпїЅ]
Старт – стоп импульсным сигналом [130пїЅпїЅ]
Половина выходной частоты при 100% задания потенциометра [121пїЅпїЅ]
Управление импульсными сигналами [127пїЅпїЅ]
Векторное управление для 8200 Vector/Motec, шаги настройки [128пїЅпїЅ]
Сборник формул Lenze [596пїЅпїЅ]


