Реализация ПИ - регулятора в преобразователе частоты Lenze серии ESMD
Преобразователь частоты ESMD имеет внутренний ПИ - регулятор процесса, который можно использовать для создания простого управления давлением.
Для начала осуществляется конфигурация преобразователя частоты.
Перед вводом параметров, указанных ниже, рекомендуется произвести сброс на заводские установки путем ввода параметра С02=1.
| Код | Описание | Значение | Примечание |
|---|---|---|---|
| С10 | Минимальная частота вращения | 10.0 | Определяется технологическим процессом |
| C11 | Максимальная частота вращения | 50.0 | Определяется технологическим процессом |
| C14 | Закон управления | 3 | Квадратичное управление |
| C22 | Ограничение максимального тока ПЧ | 120% | |
| C34 | Конфигурация аналогового входа | 4 | 4 .. 20мА |
| С70 | Пропорциональная составляющая ПИ - регулятора | 5.0 | Адаптировать к технологическому процессу |
| С71 | Интегральная составляющая ПИ - регулятора | 0.0 | |
| с81 | Задание ПИ - регулятора | 20.0 бар | Задается в пределах с86 и с87 |
| с86 | Значение технологического параметра при минимальном сигнале обратной связи | 0.0 бар | Определяется пределами измерения датчика |
| с87 | Значение технологического параметра при максимальном сигнале обратной связи | 100.0 бар | |
| d38 | Режим реботы ПИ - регулятора | 1 | Нормальное влияние (если обратная связь превышает задание, скорость уменьшается) |
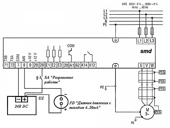
Схема подключения датчика и проводов управления к частотному преобразователю имеет вид.

Управление плавным пуском и остановом двигателя при использовании преобразователя частоты Lenze серии ESMD
В ряде случаев при управлении электромеханическими системами необходимо не только плавно разгонять, но и останавливать вал двигателя. Особенно это актуально в случае инерционных нагрузок, например, вентиляторов большой мощности.
Снимать логическую единицу с клеммы 28, в частности размыкать цепь между клеммами 20 и 28, для останова не рекомендуется, так как при этом происходит аппаратное отключение сигналов управления ключей инвертора и при большой скорости вращения выходного вала возможен переход в генераторный режим. При этом возникает кратковременное перенапряжение в звене постоянного тока, что может привести к отказу преобразователя.
Для исключения такой ситуации для плавного останова необходимо использовать один из дискретных входов, при этом логический сигнал на клемме 28 должен присутствовать постоянно (установить перемычку 20-28).
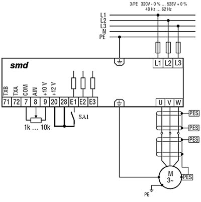
Схема подключения управляющих сигналов, в этом случае, следующая (для примера взят вход E1):

Помимо этого необходимо осуществить изменение конфигурирования преобразователя:
| Код | Описание | Значение | Примечание |
|---|---|---|---|
| СЕ1 | Функция дискретного входа Е1 | 6 | Вращение по часовой стрелке |
| СЕ2 | Функция дискретного входа Е2 | 7 | Вращение против часовой стрелки |
| С12 | Время разгона | 5.0 | Адаптировать к допустимому времени разгона и торможения (определяется механизмом) |
| С13 | Время замедления | 5.0 |
По замыканию SA1 происходит плавный разгон двигателя до скорости, определяемой заданием с аналогового входа. По размыканию SA1 двигатель замедляется по заданной кривой останова, определяемым временем С13. При этом изменение задания на входе AIN на замедление не влияет.
Как организовать функцию "мотор-потенциометр" в преобразователе частоты ESMD?
Все преобразователи частоты ESMD содержат функцию «мотор-потенциометр», как часть их стандартных функций. МОП функция позволяет быстро и просто создать операторский интерфейс. Используя два дискретных входа преобразователя частоты и две кнопки возможно увеличивать и уменьшать выходную частоту и управлять скоростью электродвигателя.
Схема внешних соединений для управляющих выходов для реализации этой функции имеет вид:

Замечание: Необходимо использовать нормально-закрытые контакты переключателя «Увеличение / Уменьшение» частоты.
Переключатель «Разрешение» должен быть замкнут, во время работы преобразователя частоты.
Нажатие кнопок «Увеличение / Уменьшение» выходной частоты не будет влиять на задание частоты, пока переключатель «Разрешение» находится в разомкнутом состоянии. Если во время работы контакт «Разрешение» разомкнуть, то преобразователь вернется в режим «OFF», выход заблокируется и электродвигатель остановится. Задание частоты будет возвращено в 0 Гц, несмотря на значение, которое было во время работы. Это означает, что выходная частота будет равна 0 Гц, если заново подать «Разрешение».
При включеном разрешении нажатие кнопок «Увеличение / Уменьшение» приводит к изменению выходной частоты (скорости электродвигателя). Время изменения скорости устанавливается с помощью параметров «Время разгона» и «Время замедления» (коды С12 и С13 соответственно). Чем выше время разгона / замедления, тем более точно можно настроить требуемую выходную частоту.
Переключатель «Вперед / Назад» - используется при необходимости осуществлять реверс электродвигателя. Если изменение направления вращения не требуется, то цифровой вход Е1 можно использовать для других функций, путем программирования параметра СЕ1.
Если изменить положение переключателя «Вперед / Назад» во время работы преобразователя, то Электродвигатель тормозится до нулевой скорости и затем разгоняется до заданной частоты в обратном направлении. Задание частоты не сбрасывается в 0 при реверсировании.
Если необходимо, для МОП функций могут быть установлены минимальная (С10) и максимальная (С11) частоты.
При удержании кнопки «Увеличение», выходная частота будет увеличиваться до значения параметра С11.
Что касается минимальной выходной частоты (С10), то преобразователь частоты будет стартовать с 0 Гц. Нажатие кнопки «Увеличение» частоты, будет приводить к увеличению выхходной частоты от 0 Гц до максимальной частоты. Однако нажатие кнопки «Уменьшение» выходной частоты не будет выполняться, если не превышен порог минимальной частоты. Если порог минимальной частоты превышен, то нажатие кнопки «Уменьшение», будет снижать выходную частоту до значения С10.
Для возврата к нулевой скорости необходимо:
- кнопку «Разрешение» разомкнуть, а затем снова замкнуть
либо
- одновременно нажать кнопки «Увеличение» и «Уменьшение» выходной частоты.
Помимо этого, необходимо ввести следующие значения кодов (параметров) при программировании.
| Код | Описание | Значение |
|---|---|---|
| С01 | Источник задания | 1 |
| СЕ1 | Конфигурация цифрового входа 1 | 4 (опционально) |
| СЕ2 | Конфигурация цифрового входа 2 | 8 |
| СЕ3 | Конфигурация цифрового входа 3 | 9 |
| С10 | Минимальная выходная частота | Установить, если требуется |
| С11 | Максимальная выходная частота | Установить, если требуется |
| С12 | Время разгона | Установить требуемое значение |
| С13 | Время замедления | Установить требуемое значение |
Установка пароля [118пїЅпїЅ]
Конфигурация релейного выхода [130пїЅпїЅ]
Быстрая замена ПЧ серий ESMD, ETML, ETMD на серию SMVector [148пїЅпїЅ]
Как организовать функцию "мотор-потенциометр" в преобразователе частоты ESV?
Схема внешних соединений для управляющих выходов для реализации этой функции имеет вид:
Помимо этого, необходимо ввести следующие значения кодов (параметров) при программировании.
| Код | Описание | Значение | Примечание |
|---|---|---|---|
| P100 | Источник команды пуска | 1 - клеммная колодка | Используется цепь пуска/останова, соединенная с клеммной колодкой |
| P101 | Стандартный источник задающей уставки | 0 - клавиатура | |
| P102 | Минимальная выходная частота | Установить, если требуется | |
| P103 | Максимальная выходная частота | Установить, если требуется | |
| P104 | Время разгона | Установить, если требуется | |
| P105 | Время торможения | Установить, если требуется | |
| P121 | Функция входа ТВ-13А | 4 - увеличение МОП | |
| P122 | Функция входа ТВ-13В | 5 - уменьшение МОП |
Замечание: Необходимо использовать нормально-закрытые контакты переключателя "Увеличение" / "Уменьшение" частоты.
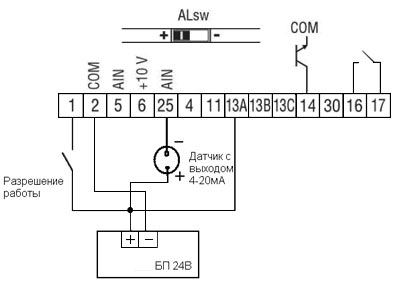
Как на преобразователе частоты серии ESV можно реализовать простое управление давлением?
Преобразователь частоты ESV имеет внутренний регулятор процесса, который можно использовать для создания простого управления давлением. Для этой цели регулятор процесса требует задание (уставку) и текущее значение.
Таблица 1 - Управление давлением с выбором задания через параметр.
| Код | Параметры | Замечания | ||
|---|---|---|---|---|
| № | Назначение | Величина | ||
| P200 | PID режим | 1 | Нормальное действие | При увеличении параметра, скорость уменьшается |
| P201 | Источник сигнала датчика обратной связи | 0 | 4 - 20мА | |
| P121 | Функция входа ТВ-13А | 3 | АВТО уставка: предустановленное значение | |
| P204 | Уровень обратной связи при минимальном сигнале | 0.0 | Заводское значение Lenze | Адаптировать к Вашему датчику |
| P205 | Уровень обратной связи при максимальном сигнале | 100.0 | Заводское значение Lenze | |
| P231 | Предустановленное задание ПИД-регулятора | Р204 Р205 | ||
| P207 | Пропорциональный коэффициент усиления ПИД-регулятора | 5.0 | 0.0 {%} 100.0 | Адаптировать к Вашему процессу |
| P208 | Интегральная постоянная времени ПИД-регулятора | 0.0 | 0.0 {сек} 20.0 | |
| P209 | Дифференциальная постоянная времени ПИД-регулятора | 0.0 | 0.0 {сек} 20.0 | |
Схема подключения датчика и проводов управления к частотному преобразователю имеет вид.

Как подключить удаленный пульт оператора ESVZXK к преобразователю частоты ESV?
Подключение выводов удаленного пульта оператора ESVZXK к преобразователю частоты серии SMV осуществляется согласно таблице:
| Клемма модуля | Описание | Клемма пульта |
|---|---|---|
| 1 | Питание пульта ( - ) | 2 |
| 2 | Связь (ТХА) | ТХА |
| 3 | Нет соединения | – |
| 4 | Связь (ТХB) | TXB |
| 5 | Питание пульта ( + ) | 11 |
При этом необходимо для полного управления с пульта ввести следующие настройки:
| Параметр | Описание |
|---|---|
| Р100 = 2 | Источник команды пуска - дистанционная клавиатура |
| Р101 = 0 | Задание по скорости или моменту - клавиатура |
| Р400 = 1 | Подключена дистанционная клавиатура |
НЕОБХОДИМО ПОМНИТЬ!!! При управлении запуском от дистанционной клавиатуры клеммы 4 - 1 должны быть замкнуты, в этом случае только дается разрешение на пуск преобразователя частоты от внешней клавиатуры. При этом для остановки преобразователя можно, как нажать кнопку "СТОП", так и разомкнуть клеммы 4 - 1. Повторный запуск в последнем случае возможен будет при повторном замыкании клемм 4 - 1.
Возможные неисправности при подключении к ESV удаленного пульта оператора ESVZXK.
| Неисправность | Решение неисправности |
|---|---|
| При подключении пульта к приводу на дисплее пульта не отображается надпись "СТОП". При этом горят все остальные светодиоды. | Установить значение Р400=1, соответствующее подключенной дистанционной клавиатуре. |
| Не работает кнопка "ПУСК" с пульта | Необходимо замкнуть клеммы 4-1 |
Как реализовать режим управления моментом в преобразователе частоты ESV?
Режим управления моментом в ESV реализуется следующим образом.
Перед включением электропривода в режим управления моментом необходимо провести автоматическую настройку преобразователя частоты на электродвигатель.
Для чего необходимо провести следующие действия:
Далее необходимо установить параметр Р101 = 1 (задание по моменту определяется сигналом 0 ... 10В аналогового входа 5)
Выставьте ограничение по скорости в параметре Р103 в соответствии с технологическим процессом (по умолчанию Р103 = 50Гц). Ограничивается скорость электродвигателя для того, чтобы при уменьшении момента нагрузки на валу, скорость вращения не превысила допустимую.
Управление дискретными выходами преобразователя частоты ESV
Преобразователи частоты серии ESV имеют релейный нормально открытый контакт и транзисторный NPN выход, используемые для индикации состояния.
Релейный контакт расположен между 16 и 17 клеммами.
Релейный контакт имеет следующие характеристики (при резистивной нагрузке):
AC: 3А при 250В
DC: 2А при 24В или 0.22А при 240В.
Транзисторный NPN выход подведен к клемме 14.
Подключение промежуточных реле к транзисторному выходу осуществляется по следующим схемам.
1. В случае использования реле с напряжением питания катушки 12В DC и током питания катушки не более 10мА.

2. При использовании реле с напряжением питания катушки 24В DC и током питания катушки не более 10мА необходимо подключение внешнего блока питания.

В инструкции по эксплуатации на стр. 25 и 26 Вы найдете возможные варианты конфигурации релейного и дискретного выходов.
Инструкция по эксплуатации преобразователя частоты SMVector (рус.) [3074пїЅпїЅ]
Сборник формул Lenze [596пїЅпїЅ]


