|
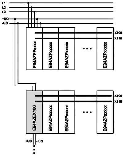
Осевой модуль сервопривода серии 9400 может быть запитан с помощью входного DC модуля от центрального источника питания
(Модуль источника питания, одно- или многоосевой модуль). Это может потребоваться, например, если приводная система
с многоуровневой структурой, установленная в шкаф, запитывается от источника постоянного тока. Номинальный ток
входного DC модуля равен 100 АDC.
Питание к входному DC модулю может подводиться как сверху, так и снизу, чем обуславливается гибкость инсталяции.
Рационально использовать этот модуль при многорядной установке осевых модулей.
|
 |